
Miniature Bearings Australia
BP0500-0600-0400-BSLL - Datasheet
MBA
Category Information
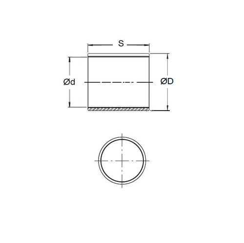
Bushes - Unflanged - Bronze - SinteredSintered Bronze Unflanged Bushes. Oil impregnated sintered bronze bushes.
- An expanded range may be available on special order. Please enquire.
- Precision items show an allowable Load Speed Rating in Newtons times RPM.
Product Data
- Nominal Inside Diameter (d)
:
50.000
mm
+ 0.003 / + 0.041
(Equiv. 1.969 in.) - Nominal Outside Diameter (D)
60.000
mm
+ 0.033 / + 0.071
(Equiv. 2.362 in.) - Length (s)
40.000
mm
+/- 0.190
(Equiv. 1.575 in.) - Material Bronze SAE 841 Sintered
Product Compliance and Data
Additional Resources
- DU Bush Material Information
- General Bushes Catalogue
- Sintered Bronze Products Catalogue
- Solid Bronze Bushes catalogue
Cross References
- 6658K773
- BP050006000400BS
- BP050006000400BSTH


