
Miniature Bearings Australia
BF0500-0600-0320-BS7050LT - Datasheet
MBA
Category Information
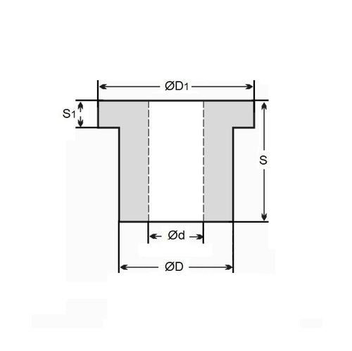
Bushes - Flanged - Bronze - SinteredSintered Bronze Flanged Bushes. Oil impregnated flanged sintered bronze bushes.
- An expanded range may be available on special order. Please enquire.
- Precision items show an allowable Load Speed Rating in Newtons times RPM.
Product Data
- Nominal Inside Diameter (d)
:
50.000
mm
+ 0.009 / + 0.040
(Equiv. 1.969 in.) - Nominal Outside Diameter (D)
60.000
mm
+ 0.050 / + 0.083
(Equiv. 2.362 in.) - Length (s)
32.000
mm
+/- 0.127
(Equiv. 1.26 in.) - Flange OD (D1) 70.00 mm
- Flange Thickness (S1) 5.00 mm
- Comments ISO2795
- Material Bronze SAE 841 Sintered
Product Compliance and Data
Additional Resources
- DU Bush Material Information
- General Bushes Catalogue
- Sintered Bronze Products Catalogue
- Solid Bronze Bushes catalogue
Cross References
- 6659K724
- Oilube FM-5060-32
- BF050006000320BS
- BF050006000320BSTH
- QFM3232
- QFM32-32
- FM506032


