
Miniature Bearings Australia
BP0508-0572-0508-BSTH - Datasheet
MBA
Category Information
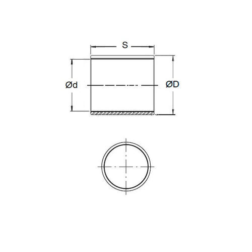
Bushes - Unflanged - Bronze - SinteredSintered Bronze Unflanged Bushes. Oil impregnated sintered bronze bushes.
- An expanded range may be available on special order. Please enquire.
- Precision items show an allowable Load Speed Rating in Newtons times RPM.
Product Data
- Nominal Inside Diameter (d)
:
50.800
mm
+ 0.064 / + 0.102
(Equiv. 2 in.) - Nominal Outside Diameter (D)
57.150
mm
+ 0.089 / + 0.127
(Equiv. 2.25 in.) - Length (s)
50.800
mm
+/- 0.190
(Equiv. 2 in.) - Material Bronze SAE 841 Sintered
Product Compliance and Data
Additional Resources
- DU Bush Material Information
- General Bushes Catalogue
- Sintered Bronze Products Catalogue
- Solid Bronze Bushes catalogue
Cross References
- 6391K465
- Bunting EP323632
- Daemar P-200-16
- P20016
- BNT-204
- BNT204
- BP050805720508BS
- BP050805720508BSHT
- BP050805720508BSHH
- A7B4-SP587216
- A7B4SP587216


