
Miniature Bearings Australia
NCF70RS - Datasheet
MBA
Category Information
Cam Followers - Bronze Bushing Self LubricatingBronze Bushing Self Lubricating Cam Followers. This is the main category in this series
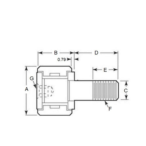
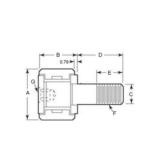
Product Data
- Diameter (A)
:
50.800
mm
(Equiv. 2 in.) - Length
79.375
mm
(Equiv. 3.125 in.) - Thread (F) 7/8-14 UNF
- Thread Length (E) 25.400 mm
- Roller Width (B) 28.575 mm
- Material Steel and Bronze
Product Compliance and Data
Additional Resources
Cross References
- NCF-70
- NCF70



