
Miniature Bearings Australia
CFF050-50-100M-R60 - Datasheet
MBA
Category Information
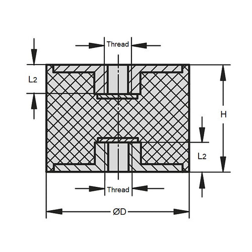
Mounts - Bobbin - FemaleFemale Bobbin Mounts. Vibration dampening
- An expanded range may be available on special order. Please enquire.
- Also see Bumpers
Product Data
- Nom. Body Diameter (D)
:
50.0
mm
(Equiv. 1.969 in.) - Body Height (H)
50.0
mm
(Equiv. 1.969 in.) - Thread Size M10x1.5
- Shore Hardness 60
- Compression Load 86 (184) Kg (lbs)
- Deflection 4.5 mm
- Max Shear Load 35.2 (78.8) Kg (lbs)
- Configuration Female to Female
- Material Natural Rubber
Product Compliance and Data
Additional Resources
Cross References
- Trelleborg 20-01313
- Misumi C-DD5050-10
- 2001313
- CDD505010
- CZY105050
- C-ZY-10-50-50


