
Miniature Bearings Australia
BF0056-0071-0053-BS0821UL - Datasheet
MBA
Category Information
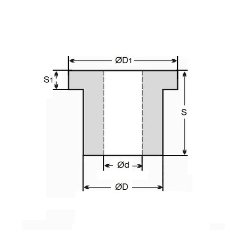
Bushes - Flanged - Bronze - SinteredSintered Bronze Flanged Bushes. Oil impregnated flanged sintered bronze bushes.
- An expanded range may be available on special order. Please enquire.
- Precision items show an allowable Load Speed Rating in Newtons times RPM.
Product Data
- Nominal Inside Diameter (d)
:
5.556
mm
+ 0.006 / - 0.019
(Equiv. 0.219 in.) - Nominal Outside Diameter (D)
7.144
mm
+ 0.006 / + 0.032
(Equiv. 0.281 in.) - Length (s)
5.258
mm
+ 0 / - 0.127
(Equiv. 0.207 in.) - Flange OD (D1) 7.87 mm
- Flange Thickness (S1) 2.13 mm
- Comments Undersized Bore
- Material Bronze SAE 841 Sintered
Product Compliance and Data
Additional Resources
- DU Bush Material Information
- General Bushes Catalogue
- Sintered Bronze Products Catalogue
- Solid Bronze Bushes catalogue
Cross References
- BF005600710053BSUL
- A7B4-F054
- A7B4F054


