
Miniature Bearings Australia
CC-053-060-C - Datasheet
MBA
Category Information
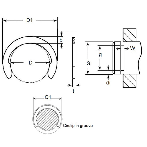
Retaining Rings - CrescentCrescent Retaining Rings. Variation of an E-Clip with an open face. Also known as a C-Clip.
- Narrow section height provides good clearance capabilities.
- Absence of teeth and deep set mean less thrust load ratings than e-clips.
- For best results install using the recommended applicator tool.
Product Data
- Groove Diameter (G)
:
5.28
mm
(Equiv. 0.208 in.) - Shaft Diameter (S)
5.99
mm
(Equiv. 0.236 in.) - Thickness (t)
0.64
mm
(Equiv. 0.025 in.) - Clip OD in groove (C1) 7.87 mm
- Clip OD Loose (D1) 7.49 mm
- Groove Width (W) 0.74
- Material Carbon Spring Steel Self Finish
Product Compliance and Data
Additional Resources
Cross References
- Military 16632-023
- Military 16632-023/B
- Military 16632-023-B
- Waldes 5103-023
- Waldes 5103-023/B
- Waldes 5103-023-B
- Ellison 9103-023
- Ellison 9103-023/B
- Ellison 9103-023-B
- NoCor C-023
- Rotor Clip C-023
- NoCor C-023/B
- Rotor Clip C-023/B
- NoCor C-023-B
- Rotor Clip C-023-B
- N1800-023
- N1800-023-B
- N1800023B
- N1800023/B
- N18000023APP
- N1800-0023APP
- N1800-023/B
- 16632023
- 16632023/B
- 16632023B
- 9103023/B
- 9103023B
- 5103023
- 5103023/B
- 5103023B
- C023/B
- C023B


