
Miniature Bearings Australia
IN-EP-079C-143-FB - Datasheet
MBA
Category Information
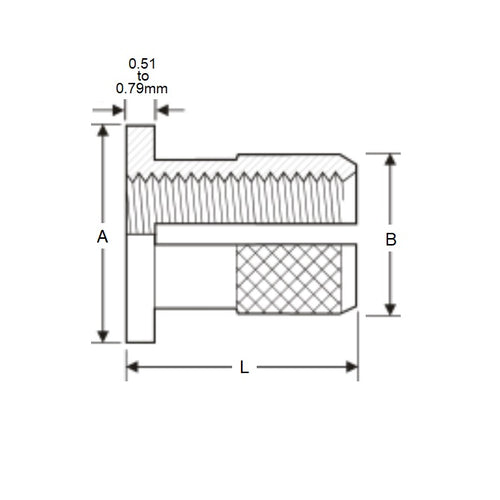
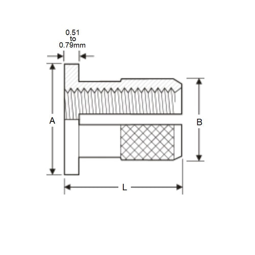
Inserts - Expansion - Press In - Brass - FlangedFlanged Brass Press In Expansion Inserts. Use for cored or drilled holes in plastics. Designed to replace molded in inserts and threads in plastic casings. Also known as threaded inserts.
- Material : Brass.
- Easiest inserts to install - simply push into a pre-moulded hole.
- Used with plastics or other materials. Material must be strong enough to withstand the expansion of the insert.
- The insertion of the screw locks the external knurls into the wall of the hole.
- Provides excellent thread durability. Not as strong as wind-in inserts.
Product Data
- Internal Thread : 5/16-18 UNC (7.94mm)
- Rec. Hole Diameter
9.525
mm
(Equiv. 0.375 in.) - Length (L)
14.30
mm
(Equiv. 0.563 in.) - Knurled OD (B) 9.881 mm
- Flange OD (A) 11.100
- Material Brass
Product Compliance and Data
Additional Resources
Cross References
- INEP0794C111FB


