
Miniature Bearings Australia
THS079C-038-F-CS-WF - Datasheet
MBA
Category Information
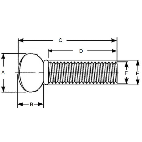
Screws - Thumb - Flat Key Head - Washer FaceWasher Face Flat Key Head Thumb Screws. Flat Key head malleable iron screws with an integral washer
- An expanded range may be available on special order. Please enquire.
Product Data
- Thread Size (C) : 5/16-18 UNC (7.94mm)
- Thread Length (D)
38.10
mm
(Equiv. 1.5 in.) - Overall Length (C)
58.74
mm
(Equiv. 2.313 in.) - Head Diameter (A) 25.40 mm
- Head Height (B) 20.64 mm
- Finish Tumbled
- Washer Diameter (E) 14.29 mm
- Material Malleable Iron
Product Compliance and Data
Additional Resources
- Screws & Nuts Catalogue
- Shoulder Screws Catalogue
- Socket Set (Grub) Screws Catalogue
- Thumb Screws & Thumb Nuts Catalogue
- Thread Size Chart - Combined Imperial & Metric
Cross References
- MIT48
- MIT-48


