
Miniature Bearings Australia
NT079C-THC-S3 - Datasheet
MBA
Category Information
Nuts - Thumb - Collared - StainlessStainless Collared Thumb Nuts. This is the main category in this series
Product Data
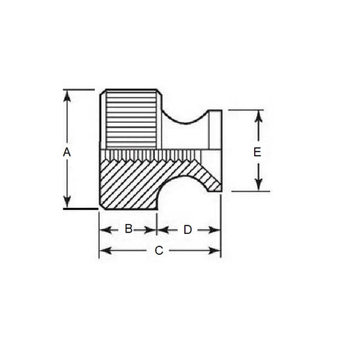
- Thread Size : 5/16-18 UNC (7.94mm)
- Overall Length (C)
10.3
mm
(Equiv. 0.406 in.) - Head Width (B)
4.76
mm
(Equiv. 0.187 in.) - Head Diameter (A) 15.88 mm
- Collar Diameter (E) 13.49 mm
- Collar Height (D) 5.56 mm
- Material Stainless Steel 303 (Similar to A2, 304, 18-8)
Product Compliance and Data
Additional Resources
Cross References
- 95150A180
- AJ764
- AJ-764



