
Miniature Bearings Australia
CP-050-080-20-030-J-PU98C - Datasheet
MBA
Category Information
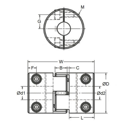
Couplings - Spider Type C CompleteSpider Type C Complete Couplings. Miniature aluminium curved jaw flexible couplings. 2 to 160 Nm. Match only hubs and spiders from listings SPIDER TYPE C. Inserts are held between the jaws of two hubs.
- Jaw coupling that transmits torque between two rotating shafts using a central, star-shaped elastomeric insert called a spider.
- Coupling includes two hubs (often cast iron), the spider insert (made of materials like polyurethane or rubber), and a collar with hardware to hold it all together.
- The shape and material absorb shocks and vibrations and accommodate minor misalignments, while its hardness can be adjusted to change the coupling's stiffness and torque capacity.
- Discs (either red as standard with blue or white optional) are available to purchase separately.
- Flexible couplings transmit torque and rotational angle while absorbing misalignment.
- When the misalignment exceeds allowable values, vibration may result or the life of the coupling may become shortened.
- Zero backlash in low torque application, made capable by having the hubs pressed in a spacer.
- Can be used as a flexible coupling in a high torque application. Polyurethane spider.
Product Data
- Bore (B)
:
5
mm
(Equiv. 0.197 in.) - Bore (B)
8
mm
(Equiv. 0.315 in.) - OD (D)
20.0
mm
(Equiv. 0.787 in.) - Overall Assembled Length (L) 30 mm
- Description Complete
- Rated Torque 5 Nm
- Fixing Type Clamp
- Spider Hardness Aluminium with 98 Duro Red Spider
- Material Aluminium with 98 Duro Red Spider
Product Compliance and Data
Additional Resources
Cross References
- Misumi GCJC20-RD-5-8
- GCJC20RD58


