
Miniature Bearings Australia
T-0050-0120-FW-S440 - Datasheet
MBA
Category Information
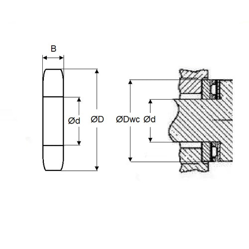
Bearings - Thrust Ball Washers Only - Stainless SteelStainless Steel Thrust Ball Washers Only Bearings. Hardened thrust washers for thrust bearings - ungrooved. Match with thrust ball and retainer or roller type.
- These washers are are used as replacements for matching ball thrust bearings. They can be used to replace worn washers, or used to select a range of thicknesses depending on your application.
- An expanded range may be available on special order. Please enquire.
- Stainless Steel Washers are hardened to HRC38.42.
Product Data
Deleted Item. Available while stocks last.
Please contact us first if you wish to use this item in a new design so we can check whether production can be resumed.
- Nominal Inside Diameter
:
5.00
mm
(Equiv. 0.197 in.) - Nominal OD
12.00
mm
(Equiv. 0.472 in.) - Description / Material Washer Only - 410 Stainless
- Nom. Thickness (B Max) 1.27 mm
- Material Stainless Steel AISI 410
Product Compliance and Data
Additional Resources
- Catalogue: Ceramic Bearings Catalogue
- Catalogue: Plastic Bearings Catalogue
- Catalogue: Standard Bearings Catalogue
- General: Bearing Cleanliness
- General: Bearing Clearances
- General: Bearing Flanges & Snap Rings
- General: Bearing Retainers (Cages)
- General: General Loads Information
- General: Lubrication
- General: Prefix & Suffix Guide
- General: Static vs Dynamic Loads
- Materials: 316 Stainless
- Materials: CASSTOP Anti-Corrosion Bearing Material
- Materials: Ceramic vs Ceramic Hybrid
- Materials: Ceramic Bearings in Vibratory Applications
- Materials: Ceramic Hybrid Bearings in Vibratory Applications
- Materials: General Bearing Materials
- Materials: Magnetism & Bearings
- Precision: 316 Stainless & Plastic Bearing Tolerances
- Precision: ABEC Basic Information
- Precision: Precision Bearing Tolerances
- Problem Solving: Bearing Failure
- Problem Solving: Fatigue (L10 Life)
- Problem Solving: Noise
Cross References
- A 7Y 7M0512
- A7Y7M0512


