
Miniature Bearings Australia
CC-050-060-C - Datasheet
MBA
Category Information
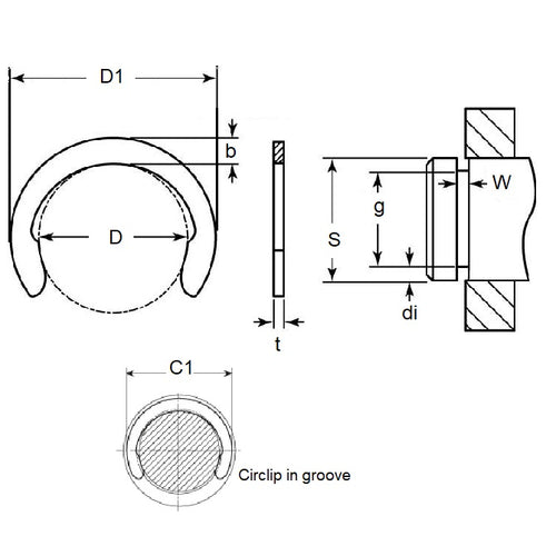
Retaining Rings - CrescentCrescent Retaining Rings. Variation of an E-Clip with an open face. Also known as a C-Clip.
- Narrow section height provides good clearance capabilities.
- Absence of teeth and deep set mean less thrust load ratings than e-clips.
- For best results install using the recommended applicator tool.
Product Data
- Groove Diameter (G)
:
5.00
mm
(Equiv. 0.197 in.) - Shaft Diameter (S)
6.00
mm
(Equiv. 0.236 in.) - Thickness (t)
0.7
mm
(Equiv. 0.028 in.) - Clip OD in groove (C1) 7.60 mm
- Clip OD Loose (D1) 7.40 mm
- Groove Width (W) 0.74
- Material Carbon Spring Steel Self Finish
Product Compliance and Data
Additional Resources
Cross References
- NoCor DC-006
- M1800-0060APP
- M18000060APP
- DC006



