
Miniature Bearings Australia
PUI010-0420-100-S4S440 - Datasheet
MBA
Category Information
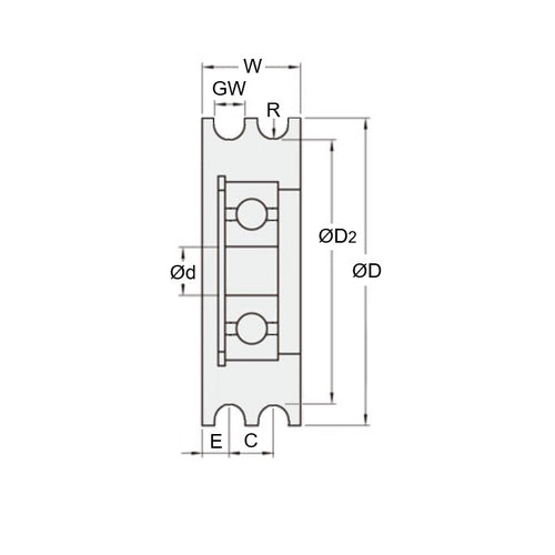
Pulleys - U Groove Idler - Double Row - StainlessStainless Double Row U Groove Idler Pulleys. Stainless with Stainless Ball Bearings
- Use with round belts such as Round Seamless Urethane or O-Rings
- Also used to run on round shafting or curved tracks
Product Data
- Maximum Cable Diameter (H)
:
5.0
mm
(Equiv. 0.197 in.) - Outside Diameter (OD)
42.0
mm
(Equiv. 1.654 in.) - Bore (A)
10.000
mm
(Equiv. 0.394 in.) - Body Width 16.0 mm
- Overall Width (OAL) 16.0
- Dia. to Base of Groove (B) 35 mm
- Centre Spacing 7
- Type Stainless 440 Shielded Precision Ball Bearing
- Groove Radius (R) 2.6
- Material Stainless Steel 304 (Similar to A2, 18-8) HRB80
Product Compliance and Data
Additional Resources
Cross References
- MBXS4026


