
Miniature Bearings Australia
BP0040-0080-0060-BSLL - Datasheet
MBA
Category Information
Bushes - Unflanged - Bronze - SinteredSintered Bronze Unflanged Bushes. Oil impregnated sintered bronze bushes.
- An expanded range may be available on special order. Please enquire.
- Precision items show an allowable Load Speed Rating in Newtons times RPM.
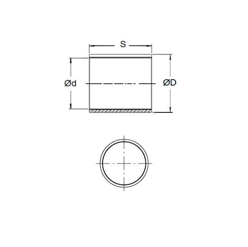
Product Data
- Nominal Inside Diameter (d)
:
4.000
mm
+ 0.000 / + 0.032
(Equiv. 0.157 in.) - Nominal Outside Diameter (D)
8.000
mm
+ 0.019 / + 0.040
(Equiv. 0.315 in.) - Length (s)
6.000
mm
+ 0 / - 0.200
(Equiv. 0.236 in.) - Material Bronze SAE 841 Sintered
Product Compliance and Data
Additional Resources
- DU Bush Material Information
- General Bushes Catalogue
- Sintered Bronze Products Catalogue
- Solid Bronze Bushes catalogue
Cross References
- Oilube® AM-408-6
- Shorlube® SMC040806
- A7B4MP040806
- BP004000800060BS
- BP004000800060BSL
- BP004000800060BSTL
- AM4086


