
Miniature Bearings Australia
BF0040-0080-0060-BS1015TL - Datasheet
MBA
Category Information
Bushes - Flanged - Bronze - SinteredSintered Bronze Flanged Bushes. Oil impregnated flanged sintered bronze bushes.
- An expanded range may be available on special order. Please enquire.
- Precision items show an allowable Load Speed Rating in Newtons times RPM.
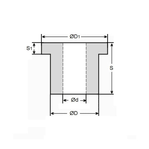
Product Data
- Nominal Inside Diameter (d)
:
4.000
mm
+ 0.020 / + 0.032
(Equiv. 0.157 in.) - Nominal Outside Diameter (D)
8.000
mm
+ 0.019 / + 0.034
(Equiv. 0.315 in.) - Length (s)
6.000
mm
+ 0 / - 0.200
(Equiv. 0.236 in.) - Flange OD (D1) 10.00 mm
- Flange Thickness (S1) 1.50 mm
- Material Bronze SAE 841 Sintered
Product Compliance and Data
Additional Resources
- DU Bush Material Information
- General Bushes Catalogue
- Sintered Bronze Products Catalogue
- Solid Bronze Bushes catalogue
Cross References
- BF004000800060BS
- BF004000800060BS1015LL
- A7B4MF040806


