
Miniature Bearings Australia
CC-040-050-C - Datasheet
MBA
Category Information
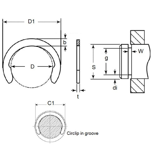
Retaining Rings - CrescentCrescent Retaining Rings. Variation of an E-Clip with an open face. Also known as a C-Clip.
- Narrow section height provides good clearance capabilities.
- Absence of teeth and deep set mean less thrust load ratings than e-clips.
- For best results install using the recommended applicator tool.
Product Data
- Groove Diameter (G)
:
4.00
mm
(Equiv. 0.157 in.) - Shaft Diameter (S)
5.00
mm
(Equiv. 0.197 in.) - Thickness (t)
0.6
mm
(Equiv. 0.024 in.) - Clip OD in groove (C1) 6.40 mm
- Clip OD Loose (D1) 6.20 mm
- Groove Width (W) 0.64
- Material Carbon Spring Steel Self Finish
Product Compliance and Data
Additional Resources
Cross References
- 97414A615
- NoCor DC-005
- M18000050APP
- M1800-0050APP
- DC005


