
Miniature Bearings Australia
PLIT-040-080-100-39-KPU-S3 - Datasheet
MBA
Category Information
Plungers - Indexing Pull Knob - No Collar - Stainless and Plastic - StandardStandard Stainless and Plastic No Collar Indexing Pull Knob Plungers. With thermoplastic knob
Product Data
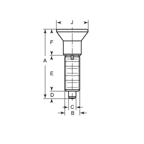
- Thread (B) : M8 Fine (8x1mm)
- Overall Length (A)
38.5
mm
(Equiv. 1.516 in.) - Initial End Force 2.7 N
- Final End Force 5.4 N
- Tip Diameter (C) 4.0 mm
- Tip Length (D) 4.0 mm
- Hex Height (F) 13.5
- Knob Diameter (J) 18.0
- Material Stainless Steel 303 (Similar to A2, 304, 18-8)
Product Compliance and Data
Additional Resources
Cross References
- KBP-633
- KBP633



