
Miniature Bearings Australia
S624A-ZZ-SQP - Datasheet
MBA
Category Information
Bearings - Grooved OD - Square GrooveSquare Groove Grooved OD Bearings. Special bearings. Not readily available.
- Grooved OD bearings include various grrove shapes such as U-Groove, V-Groove, gothic arch and square grooves.
- These bearings are designed for applications where the outer ring of the bearing interacts with a track or rail to support and guide the movement of the bearing assembly.
- Some uses include wire straightening, textile machinery, material handling, linear systems, and the printing industry. An expanded range may be available on special order. Please enquire.
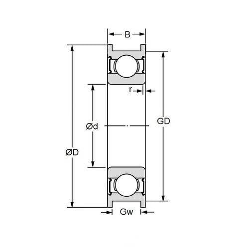
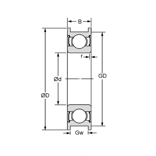
Product Data
- ID (d)
:
4.000
mm
(Equiv. 0.157 in.) - OD (D)
13.000
mm
(Equiv. 0.512 in.) - Width (B)
4.000
mm
(Equiv. 0.157 in.) - Groove Base Diameter (GD) 11.000 mm
- Groove Width (GB) 2.000 mm
- Dynamic Load 47.5 kgf
- Closures ZZ
- Type Square Groove Profile
- Material Stainless Steel AISI 440C
Product Compliance and Data
Additional Resources
- Catalogue: Ceramic Bearings Catalogue
- Catalogue: Plastic Bearings Catalogue
- Catalogue: Standard Bearings Catalogue
- General: Bearing Cleanliness
- General: Bearing Clearances
- General: Bearing Flanges & Snap Rings
- General: Bearing Retainers (Cages)
- General: General Loads Information
- General: Lubrication
- General: Prefix & Suffix Guide
- General: Static vs Dynamic Loads
- Materials: 316 Stainless
- Materials: CASSTOP Anti-Corrosion Bearing Material
- Materials: Ceramic vs Ceramic Hybrid
- Materials: Ceramic Bearings in Vibratory Applications
- Materials: Ceramic Hybrid Bearings in Vibratory Applications
- Materials: General Bearing Materials
- Materials: Magnetism & Bearings
- Precision: 316 Stainless & Plastic Bearing Tolerances
- Precision: ABEC Basic Information
- Precision: Precision Bearing Tolerances
- Problem Solving: Bearing Failure
- Problem Solving: Fatigue (L10 Life)
- Problem Solving: Noise
Cross References
- Origin SS4-13U-ZZ
- SS413UZZ



