
Miniature Bearings Australia
GE-00400-01200-ST - Datasheet
MBA
Category Information
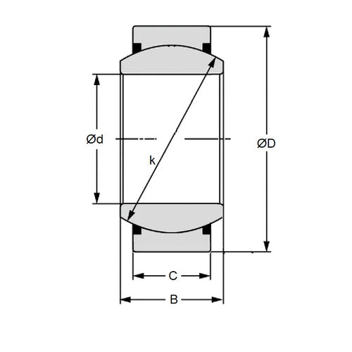
Bushings - Spherical - Steel - No Oil HoleNo Oil Hole Steel Spherical Bushings. Steel spherical plain bearings. Also known as ball bushings.
- Compensates for axial loads and misalignment.
Product Data
- Bore (d1)
:
4.000
mm
(Equiv. 0.157 in.) - OD (d2)
12.000
mm
(Equiv. 0.472 in.) - Width (B)
5.000
mm
(Equiv. 0.197 in.) - Outer Width (C) 3.00 mm
- Dynamic Load Capacity 240 kgf
- Static Load Capacity 1440 kgf
- Features No Wiper Seals / No Oil Hole
- Material Steel
Product Compliance and Data
Additional Resources
Cross References
- ISO GE4E
- ISO GE-4E
- Nachi GE-4E
- IKO GE-4-E



