
Miniature Bearings Australia
BP0492-0587-0508-BSTT2 - Datasheet
MBA
Category Information
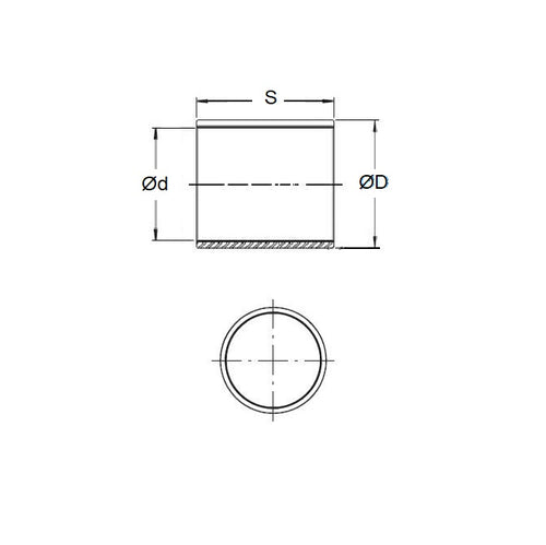
Bushes - Unflanged - Bronze - SinteredSintered Bronze Unflanged Bushes. Oil impregnated sintered bronze bushes.
- An expanded range may be available on special order. Please enquire.
- Precision items show an allowable Load Speed Rating in Newtons times RPM.
Product Data
- Nominal Inside Diameter (d)
:
49.213
mm
+ 0.038 / + 0.076
(Equiv. 1.938 in.) - Nominal Outside Diameter (D)
58.738
mm
+ 0.064 / + 0.102
(Equiv. 2.313 in.) - Length (s)
50.800
mm
+/- 0.190
(Equiv. 2 in.) - Material Bronze SAE 841 Sintered
Product Compliance and Data
Additional Resources
- DU Bush Material Information
- General Bushes Catalogue
- Sintered Bronze Products Catalogue
- Solid Bronze Bushes catalogue
Cross References
- 6391K683
- Oilite AA2306-3
- Oilube AA2306-3
- Bunting EP313732
- Daemar P-193-16
- Oilube P-193-16
- Symmco SS-6274-32
- P19316
- BP049205870508BS
- BP049205870508BSSH
- BP049205870508BS-SH
- BP049205870508BSTH
- A7B4SP567416
- A7B4-SP567416
- SS627432
- AA23063


