
Miniature Bearings Australia
BP0492-0587-1016-BSTT2 - Datasheet
MBA
Category Information
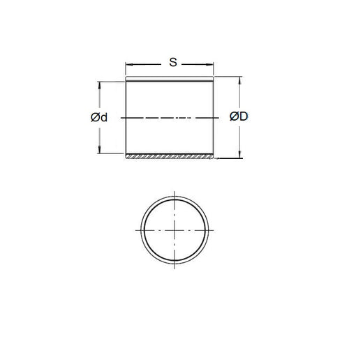
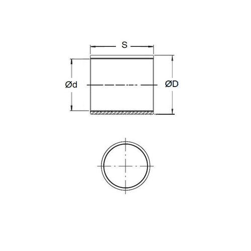
Bushes - Unflanged - Bronze - SinteredSintered Bronze Unflanged Bushes. Oil impregnated sintered bronze bushes.
- An expanded range may be available on special order. Please enquire.
- Precision items show an allowable Load Speed Rating in Newtons times RPM.
Product Data
- Nominal Inside Diameter (d)
:
49.213
mm
+ 0.038 / + 0.076
(Equiv. 1.938 in.) - Nominal Outside Diameter (D)
58.738
mm
+ 0.064 / + 0.102
(Equiv. 2.313 in.) - Length (s)
101.600
mm
+/- 0.254
(Equiv. 4 in.) - Material Bronze SAE 841 Sintered
Product Compliance and Data
Additional Resources
- DU Bush Material Information
- General Bushes Catalogue
- Sintered Bronze Products Catalogue
- Solid Bronze Bushes catalogue
Cross References
- Oilite AA2306
- Oilube AA2306
- Bunting EP313764
- Daemar P-193-32
- Oilube P-193-32
- Symmco SS-6274-64
- P19332
- BP049205871016BSTH
- BP049205871016BS-SH
- BP049205871016BSSH
- A7B4-SP567432
- A7B4SP567432
- SS627464


