
Miniature Bearings Australia
GE-04500-07500-ST-OH-W - Datasheet
MBA
Category Information
Bushings - Spherical - Steel - With Oil Hole and Wiper SealWith Oil Hole and Wiper Seal Steel Spherical Bushings. Steel spherical plain bearings. Also known as ball bushings.
- Compensates for axial loads and misalignment.
Product Data
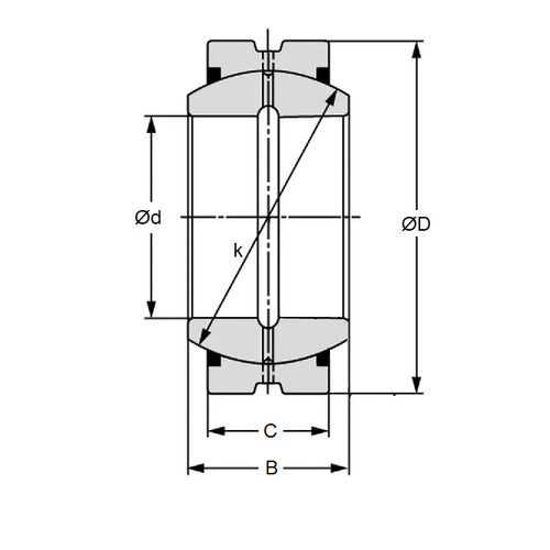
- Bore (d1)
:
45.000
mm
(Equiv. 1.772 in.) - OD (d2)
75.000
mm
(Equiv. 2.953 in.) - Width (B)
43.000
mm
(Equiv. 1.693 in.) - Outer Width (C) 28.00 mm
- Dynamic Load Capacity 18500 kgf
- Static Load Capacity 111000 kgf
- Features With Wiper Seals / With Oil Hole
- Material Steel
Product Compliance and Data
Additional Resources
Cross References
- Nachi GE-45GS-2RS
- IKO GE45GS-2RS
- Nachi GE-45GS-RS
- IKO GE45GS-RS
- GE45GSRS
- GE45GS2RS



