
Miniature Bearings Australia
GE-04500-07200-ST-OH - Datasheet
MBA
Category Information
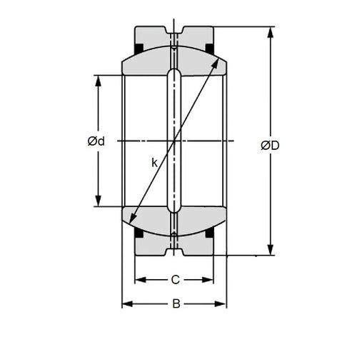
Bushings - Spherical - Steel - With Oil HoleWith Oil Hole Steel Spherical Bushings. Steel spherical plain bearings. Also known as ball bushings.
- Compensates for axial loads and misalignment.
Product Data
- Bore (d1)
:
45.000
mm
(Equiv. 1.772 in.) - OD (d2)
72.000
mm
(Equiv. 2.835 in.) - Width (B)
36.000
mm
(Equiv. 1.417 in.) - Outer Width (C) 31.00 mm
- Dynamic Load Capacity 19200 kgf
- Static Load Capacity 115000 kgf
- Features No Wiper Seals / With Oil Hole
- Material Steel
Product Compliance and Data
Additional Resources
Cross References
- Nachi SB-45A
- IKO SB-45-A
- SB45A



