
Miniature Bearings Australia
SKF-83RS - Datasheet
MBA
Category Information
Turntable - Non-LockableNon-Lockable Turntable. Similar to lazy susans but heavy duty.
- Heavy duty turntables engineered for safe, smooth, long-lasting operation.
- For industrial work stations, product displays, material container stands, paint booths and welding tables.
- All turntables are fitted with permanently lubricated and sealed bearings, eliminating the need for future re-lubrication.
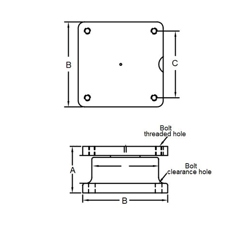
- Turntables may be mounted using the recommended bolts or welded directly to the fixture. The bottom flange is to be fastened first with standard size bolts. Top plates feature tapped holes to provide ease of assembly.
Product Data
- Load Capacity : 4535 Kg
- Height (A)
69.088
mm
(Equiv. 2.72 in.) - Length (B)
165.10
mm
(Equiv. 6.5 in.) - Bolt Centres (C) 139.70 mm
- Bolt Size 3/8-16 UNC (9.53mm)
- Material Cast Iron
Product Compliance and Data
Additional Resources
Cross References
- SKF UT-10-NONLOCKING
- UT10NONLOCKING


