
Miniature Bearings Australia
CC-457-508-C - Datasheet
MBA
Category Information
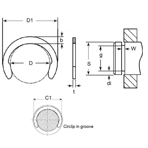
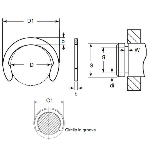
Retaining Rings - CrescentCrescent Retaining Rings. Variation of an E-Clip with an open face. Also known as a C-Clip.
- Narrow section height provides good clearance capabilities.
- Absence of teeth and deep set mean less thrust load ratings than e-clips.
- For best results install using the recommended applicator tool.
Product Data
- Groove Diameter (G)
:
45.72
mm
(Equiv. 1.8 in.) - Shaft Diameter (S)
50.80
mm
(Equiv. 2 in.) - Thickness (t)
1.58
mm
(Equiv. 0.062 in.) - Clip OD in groove (C1) 58.42 mm
- Clip OD Loose (D1) 57.33 mm
- Groove Width (W) 1.73
- Material Carbon Spring Steel Self Finish
Product Compliance and Data
Additional Resources
Cross References
- Military 16632-200
- Military 16632-200/B
- Military 16632-200-B
- Waldes 5103-200
- Waldes 5103-200/B
- Waldes 5103-200-B
- Ellison 9103-200
- Ellison 9103-200/B
- Ellison 9103-200-B
- NoCor C-200
- Rotor Clip C-200
- NoCor C-200/B
- Rotor Clip C-200/B
- NoCor C-200-B
- Rotor Clip C-200-B
- N18000200APP
- N1800-0200APP
- N1800-200
- N1800200/B
- N1800-200/B
- N1800200B
- N1800-200-B
- 16632200
- 16632200/B
- 16632200B
- 9103200
- 9103200/B
- 9103200B
- 5103200/B
- 5103200B
- C200
- C200/B
- C200B


