
Miniature Bearings Australia
SP1-095-047B-045-159-NG - Datasheet
MBA
Category Information
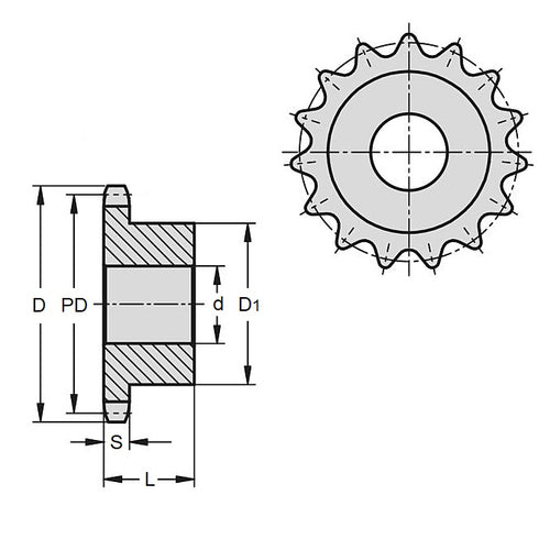
Sprockets - Roller Chain - Simplex - 35-1A - PlasticPlastic 35-1A Simplex Roller Chain Sprockets. Nylon - Acetal - With and without bore inserts.
- This category will be discontinued when the remaining items are sold.
 - All items are priced to quit.
 - Backorders or orders for previously listed items in the category may still be possible - please enquire.
 - Match with series 9.53x4.7mm plastic or steel chain (35-1 ASA)
 - American Standard 35-1 - 3/8 inch
 
Product Data
Deleted Item. Available while stocks last.
Please contact us first if you wish to use this item in a new design so we can check whether production can be resumed.
- Number of Teeth : 45
 - PCD 
136.38
mm
(Equiv. 5.369 in.) - Hub Diameter (D1) 
69.85
mm
(Equiv. 2.75 in.) - Overall Width (E) 22.23 mm
 - Standard Number 35-1A
 - Type / Rows Type 3
 - Bore (d) 15.875
 - Locking Method No Locking
 - Material NYLATRON GS (PA66 + MoS2)
 
Product Compliance and Data
Additional Resources
Cross References
- 60425K165
 - A 6M 7-3745
 - A6M73745
 - A6M7-3745
 


