
Miniature Bearings Australia
GE-04445-07144-ST-OH - Datasheet
MBA
Category Information
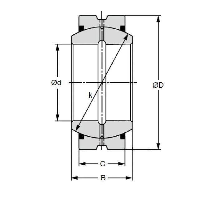
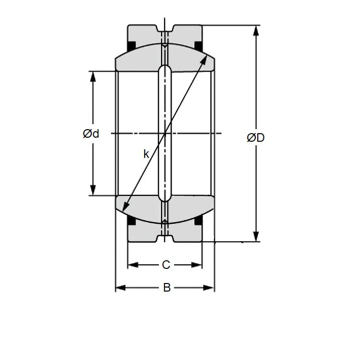
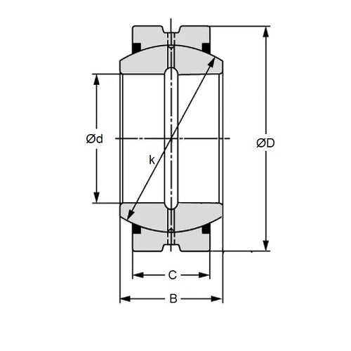
Bushings - Spherical - Steel - With Oil HoleWith Oil Hole Steel Spherical Bushings. Steel spherical plain bearings. Also known as ball bushings.
- Compensates for axial loads and misalignment.
Product Data
- Bore (d1)
:
44.450
mm
(Equiv. 1.75 in.) - OD (d2)
71.440
mm
(Equiv. 2.813 in.) - Width (B)
38.890
mm
(Equiv. 1.531 in.) - Outer Width (C) 33.32 mm
- Dynamic Load Capacity 21300 kgf
- Static Load Capacity 128000 kgf
- Features No Wiper Seals / With Oil Hole
- Material Steel
Product Compliance and Data
Additional Resources
Cross References
- IKO SBB28
- Nachi SBB-28



