
Miniature Bearings Australia
BP0445-0508-0381-BSTT2 - Datasheet
MBA
Category Information
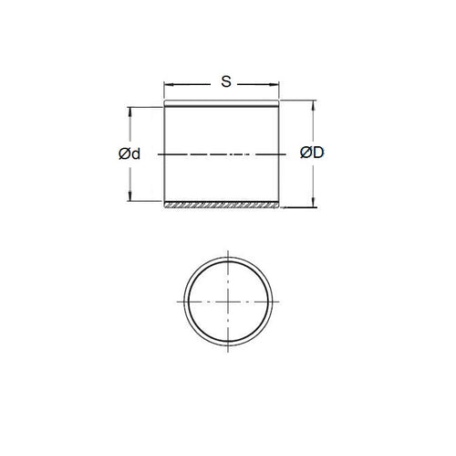
Bushes - Unflanged - Bronze - SinteredSintered Bronze Unflanged Bushes. Oil impregnated sintered bronze bushes.
- An expanded range may be available on special order. Please enquire.
- Precision items show an allowable Load Speed Rating in Newtons times RPM.
Product Data
- Nominal Inside Diameter (d)
:
44.450
mm
+ 0.064 / + 0.102
(Equiv. 1.75 in.) - Nominal Outside Diameter (D)
50.800
mm
+ 0.064 / + 0.102
(Equiv. 2 in.) - Length (s)
38.100
mm
+/- 0.127
(Equiv. 1.5 in.) - Material Bronze SAE 841 Sintered
Product Compliance and Data
Additional Resources
- DU Bush Material Information
- General Bushes Catalogue
- Sintered Bronze Products Catalogue
- Solid Bronze Bushes catalogue
Cross References
- 6391K441
- Symmco® SS-5664-24
- A7B4SP546412
- A7B4-SP546412
- BP044505080381BS
- BP044505080381BSH
- BP044505080381BSHH
- SS566424


