
Miniature Bearings Australia
COL-04128-070-16-HG-CS - Datasheet
MBA
Category Information
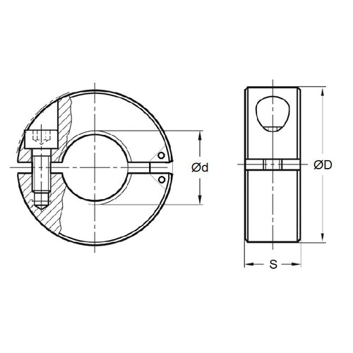
Collars - Shaft - Hinged - SteelSteel Hinged Shaft Collars. Precision machined. Convenient easy-to-assemble design. Steel 12L14 (9SMn Pb36)
- Simple, ring-shaped component, typically made of metal or plastic, that fastens around a round shaft to hold other parts in place or to act as a mechanical stop.
- Essential in power transmission applications for securing items like bearings, sprockets, and gear assemblies.
- Same axial load handling capabilities as standard two piece collars.
- Captive clamp screw eliminates lost screws.
- The collars have a smooth I.D., O.D. & sides with no protruding pins or screws.
- Easily Machinable / Open Completely.
- Non-marring / Use on hardened shafts / Use on tubing / Use on split hubs.
Product Data
- Suitable Shaft Size (d)
:
41.275
mm
(Equiv. 1.625 in.) - Outside Diameter (D)
69.90
mm
(Equiv. 2.752 in.) - Overall Width (S)
15.9
mm
(Equiv. 0.626 in.) - Screw Size 5/16-24 UNF
- Material Carbon Steel
Product Compliance and Data
Additional Resources
Cross References
- Reid Tool® CTC-411
- CTC411


