
Miniature Bearings Australia
BP0413-0508-0445-BSTT - Datasheet
MBA
Category Information
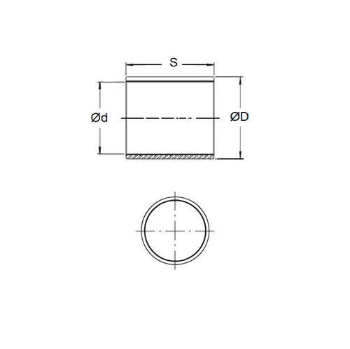
Bushes - Unflanged - Bronze - SinteredSintered Bronze Unflanged Bushes. Oil impregnated sintered bronze bushes.
- An expanded range may be available on special order. Please enquire.
- Precision items show an allowable Load Speed Rating in Newtons times RPM.
Product Data
- Nominal Inside Diameter (d)
:
41.275
mm
+ 0.064 / + 0.102
(Equiv. 1.625 in.) - Nominal Outside Diameter (D)
50.800
mm
+ 0.064 / + 0.102
(Equiv. 2 in.) - Length (s)
44.450
mm
+/- 0.190
(Equiv. 1.75 in.) - Material Bronze SAE 841 Sintered
Product Compliance and Data
Additional Resources
- DU Bush Material Information
- General Bushes Catalogue
- Sintered Bronze Products Catalogue
- Solid Bronze Bushes catalogue
Cross References
- Symmco® SS-5264-28
- A7B4SP506414
- A7B4-SP506414
- BP041305080445BSH
- BP041305080445BSHH
- SS526428


