
Miniature Bearings Australia
BP0413-0476-0318-BSTT2 - Datasheet
MBA
Category Information
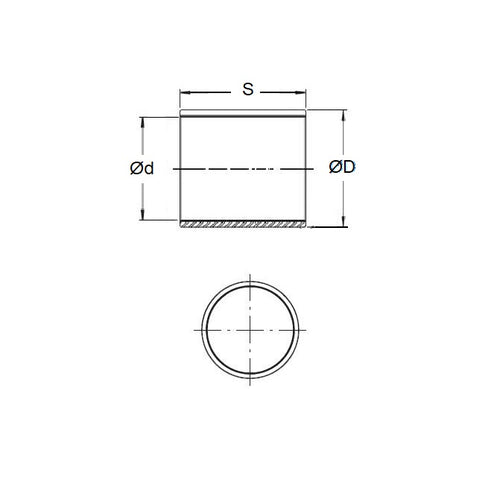
Bushes - Unflanged - Bronze - SinteredSintered Bronze Unflanged Bushes. Oil impregnated sintered bronze bushes.
- An expanded range may be available on special order. Please enquire.
- Precision items show an allowable Load Speed Rating in Newtons times RPM.
Product Data
- Nominal Inside Diameter (d)
:
41.275
mm
+ 0.064 / + 0.102
(Equiv. 1.625 in.) - Nominal Outside Diameter (D)
47.625
mm
+ 0.064 / + 0.102
(Equiv. 1.875 in.) - Length (s)
31.750
mm
+/- 0.127
(Equiv. 1.25 in.) - Material Bronze SAE 841 Sintered
Product Compliance and Data
Additional Resources
- DU Bush Material Information
- General Bushes Catalogue
- Sintered Bronze Products Catalogue
- Solid Bronze Bushes catalogue
Cross References
- Symmco® SS-5260-20
- A7B4-SP506010
- A7B4SP506010
- BP041304760318BS
- BP041304760318BSHH
- SS526020


