
Miniature Bearings Australia
GE-04000-06800-ST-OH - Datasheet
MBA
Category Information
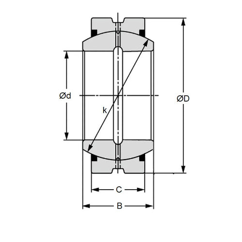
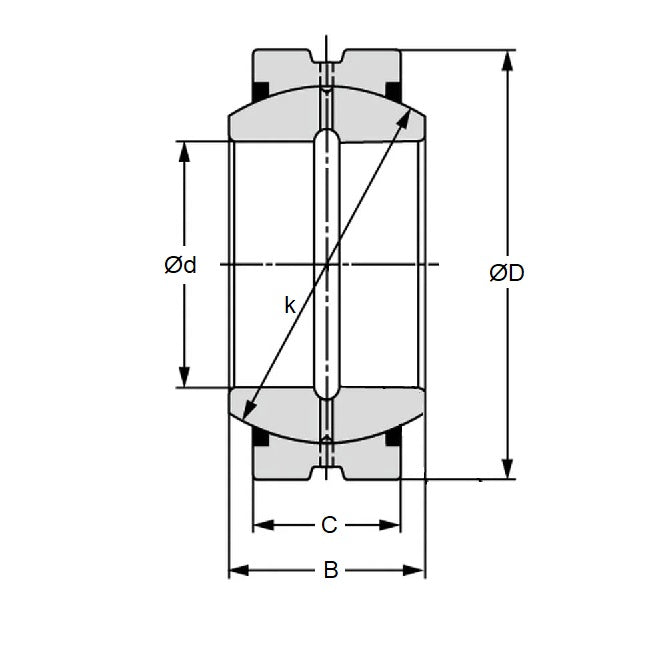
Bushings - Spherical - Steel - With Oil HoleWith Oil Hole Steel Spherical Bushings. Steel spherical plain bearings. Also known as ball bushings.
- Compensates for axial loads and misalignment.
Product Data
- Bore (d1)
:
40.000
mm
(Equiv. 1.575 in.) - OD (d2)
68.000
mm
(Equiv. 2.677 in.) - Width (B)
40.000
mm
(Equiv. 1.575 in.) - Outer Width (C) 25.00 mm
- Dynamic Load Capacity 15000 kgf
- Static Load Capacity 90000 kgf
- Features No Wiper Seals / With Oil Hole
- Material Steel
Product Compliance and Data
Additional Resources
Cross References
- IKO GE40GS
- Nachi GE-40GS



