
Miniature Bearings Australia
GE-04000-06800-ST-OH-W - Datasheet
MBA
Category Information
Bushings - Spherical - Steel - With Oil Hole and Wiper SealWith Oil Hole and Wiper Seal Steel Spherical Bushings. Steel spherical plain bearings. Also known as ball bushings.
- Compensates for axial loads and misalignment.
Product Data
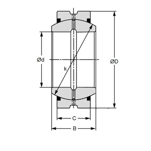
- Bore (d1)
:
40.000
mm
(Equiv. 1.575 in.) - OD (d2)
68.000
mm
(Equiv. 2.677 in.) - Width (B)
40.000
mm
(Equiv. 1.575 in.) - Outer Width (C) 25.00 mm
- Dynamic Load Capacity 15000 kgf
- Static Load Capacity 90000 kgf
- Features With Wiper Seals / With Oil Hole
- Material Steel
Product Compliance and Data
Additional Resources
Cross References
- Nachi GE-40GS-2RS
- IKO GE40GS-2RS
- Nachi GE-40GS-RS
- IKO GE40GS-RS
- GE40GS2RS
- GE40GSRS



