
Miniature Bearings Australia
COL-04000-060-15-HG-S3 - Datasheet
MBA
Category Information
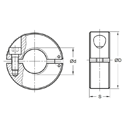
Collars - Shaft - Hinged - Stainless SteelStainless Steel Hinged Shaft Collars. Precision machined. Convenient easy-to-assemble design. 303 Stainless Steel
- Simple, ring-shaped component, typically made of metal or plastic, that fastens around a round shaft to hold other parts in place or to act as a mechanical stop.
- Essential in power transmission applications for securing items like bearings, sprockets, and gear assemblies.
- Same axial load handling capabilities as standard two piece collars.
- Captive clamp screw eliminates lost screws.
- The collars have a smooth I.D., O.D. & sides with no protruding pins or screws.
- Easily Machinable / Open Completely.
- Non-marring / Use on hardened shafts / Use on tubing / Use on split hubs.
Product Data
- Suitable Shaft Size (d)
:
40.000
mm
(Equiv. 1.575 in.) - Outside Diameter (D)
60.00
mm
(Equiv. 2.362 in.) - Overall Width (S)
15.0
mm
(Equiv. 0.591 in.) - Material Stainless Steel
Product Compliance and Data
Additional Resources
Cross References
- 5719T18
- 2SM040H


