
Miniature Bearings Australia
SP1-038-016B-040-060-NG - Datasheet
MBA
Category Information
Sprockets - Roller Chain - Simplex - 3.75 x 1.6mm - PlasticPlastic 3.75 x 1.6mm Simplex Roller Chain Sprockets. Nylon - Acetal - With and without bore inserts.
- This category will be discontinued when the remaining items are sold.
- All items are priced to quit.
- Backorders or orders for previously listed items in the category may still be possible - please enquire.
- Match with series 3.75mm miniature plastic or stainless chain
Product Data
Deleted Item. Available while stocks last.
Please contact us first if you wish to use this item in a new design so we can check whether production can be resumed.
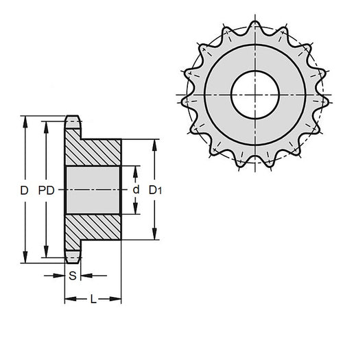
- Number of Teeth : 40
- PCD
47.68
mm
(Equiv. 1.877 in.) - Hub Diameter (D1)
16.00
mm
(Equiv. 0.63 in.) - Overall Width (E) 9.50 mm
- Standard Number Non Standard
- Type / Rows Type 3
- Bore (d) 6.000
- Locking Method No Locking
- Material NYLATRON GS (PA66 + MoS2)
Product Compliance and Data
Additional Resources
Cross References
- A 6M 7M1440
- A6M7M1440


