
Miniature Bearings Australia
IP-195RS - Datasheet
MBA
Category Information
Housing and Bearing Assembly - Tapped Base - Thermoplastic and StainlessThermoplastic and Stainless Tapped Base Housing and Bearing Assembly. Thermoplastic housed units offer a more favourable economic choice. Stainless steel bearings offer a high level of corrosion resistance and all metal parts are made from either 302, 304 or 440C stainless steel.
- Bearing housing assemblies combine matching parts already assembled. Bearings in this range refer to either ball bearings or plain bearings. Refer to the listings for each type.
- Operating temperature minus 20 oC to +95 deg C
- Thermoplastic hosuings are offwhite and are made from glass reinforced PBT resin. Favourable chemical resistance. Very resistant to moisture absorption.
- Excellent mechanical, thermal and electrical properties.
- All sleeves, bushings and grease fittings are 300 grade stainless steel.
- Food grade
Product Data
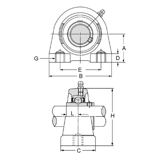
- Bore
:
40.000
mm
(Equiv. 1.575 in.) - Centre Height (A)
49.200
mm
(Equiv. 1.937 in.) - Width (B)
120.000
mm
(Equiv. 4.724 in.) - Depth (C) 48.000 mm
- Bolt Depth (D) 16.000 mm
- Bolt Distances (E) 88.900 mm
- Thread (G) UNC
- K 101.000 mm
- L 30.200 mm
Product Compliance and Data
Additional Resources


