
Miniature Bearings Australia
CC-400-445-C - Datasheet
MBA
Category Information
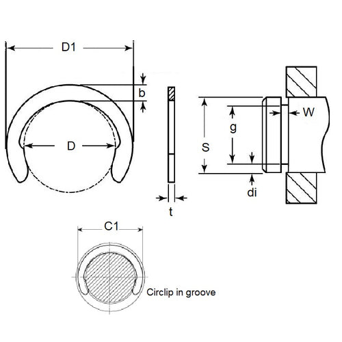
Retaining Rings - CrescentCrescent Retaining Rings. Variation of an E-Clip with an open face. Also known as a C-Clip.
- Narrow section height provides good clearance capabilities.
- Absence of teeth and deep set mean less thrust load ratings than e-clips.
- For best results install using the recommended applicator tool.
Product Data
- Groove Diameter (G)
:
40.03
mm
(Equiv. 1.576 in.) - Shaft Diameter (S)
44.45
mm
(Equiv. 1.75 in.) - Thickness (t)
1.58
mm
(Equiv. 0.062 in.) - Clip OD in groove (C1) 51.05 mm
- Clip OD Loose (D1) 50.17 mm
- Groove Width (W) 1.73
- Material Carbon Spring Steel Self Finish
Product Compliance and Data
Additional Resources
Cross References
- Military 16632-175/B
- Military 16632-175-B
- Waldes 5103-175/B
- Waldes 5103-175-B
- Ellison 9103-175/B
- Ellison 9103-175-B
- NoCor C-175/B
- Rotor Clip C-175/B
- NoCor C-175-B
- Rotor Clip C-175-B
- N1800175B
- N18000175APP
- N1800-175-B
- N1800-0175APP
- N1800-175/B
- N1800175/B
- 16632175B
- 16632175/B
- 9103175/B
- 9103175B
- 5103175/B
- 5103175B
- C175/B
- C175B


