
Miniature Bearings Australia
CC-049-056-C - Datasheet
MBA
Category Information
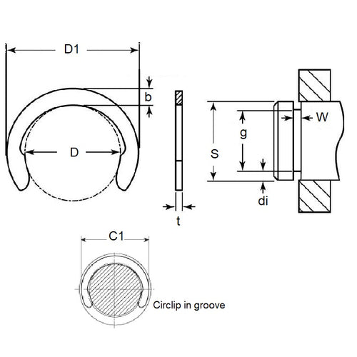
Retaining Rings - CrescentCrescent Retaining Rings. Variation of an E-Clip with an open face. Also known as a C-Clip.
- Narrow section height provides good clearance capabilities.
- Absence of teeth and deep set mean less thrust load ratings than e-clips.
- For best results install using the recommended applicator tool.
Product Data
- Groove Diameter (G)
:
4.90
mm
(Equiv. 0.193 in.) - Shaft Diameter (S)
5.56
mm
(Equiv. 0.219 in.) - Thickness (t)
0.64
mm
(Equiv. 0.025 in.) - Clip OD in groove (C1) 7.37 mm
- Clip OD Loose (D1) 6.99 mm
- Groove Width (W) 0.74
- Material Carbon Spring Steel Self Finish
Product Compliance and Data
Additional Resources
Cross References
- Military 16632-021
- Military 16632-021/B
- Military 16632-021-B
- Waldes 5103-021
- Waldes 5103-021/B
- Waldes 5103-021-B
- Ellison 9103-021
- Ellison 9103-021/B
- Ellison 9103-021-B
- NoCor C-021
- Rotor Clip C-021
- NoCor C-021/B
- Rotor Clip C-021/B
- NoCor C-021-B
- Rotor Clip C-021-B
- N1800-021/B
- N1800021B
- N1800021/B
- N18000021APP
- N1800-021-B
- N1800-0021APP
- 16632021/B
- 16632021B
- 9103021
- 9103021/B
- 9103021B
- 5103021/B
- 5103021B
- C021
- C021B
- C021/B


