
Miniature Bearings Australia
CLP-048-0188-CZ - Datasheet
MBA
Category Information
Pins - Clevis - Pin Locking - Zinc PlatedZinc Plated Pin Locking Clevis Pins. Match with a suitable R-Clip or Spilt Pin - pin size shown in listings
- In addition to retaining parts on a shaft or axle, clevis pins can also be used as light duty axles, spring holders or even fishing line weights.
- Sinc plated low carbon steel
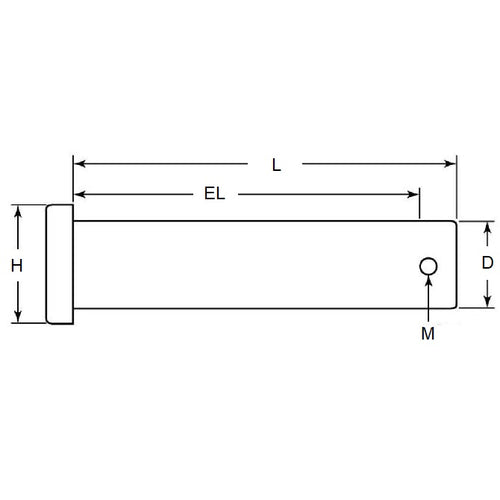
Product Data
- Nominal Pin Diameter (D)
:
4.76
mm
- 0.04 / - 0.16
(Equiv. 0.187 in.) - Grip Length (EL)
18.85
mm
+ 0.51 / - 0.00
(Equiv. 0.742 in.) - Nom. Length (L)
22.23
mm
+ 0.51 / - 0.00
(Equiv. 0.875 in.) - Ret. Pin Dia. (M) 2.0 mm
- Material Zinc Plated Low Carbon Steel
Product Compliance and Data
Additional Resources
Cross References
- 97245A218
- NoCor CLPZ-0187-0875/B
- NoCor CLPZ-0187-0875-B
- CLP0480188Z
- CLPZ01870875/B
- CLPZ01870875B



