
Miniature Bearings Australia
BP0048-0095-0032-BSLU - Datasheet
MBA
Category Information
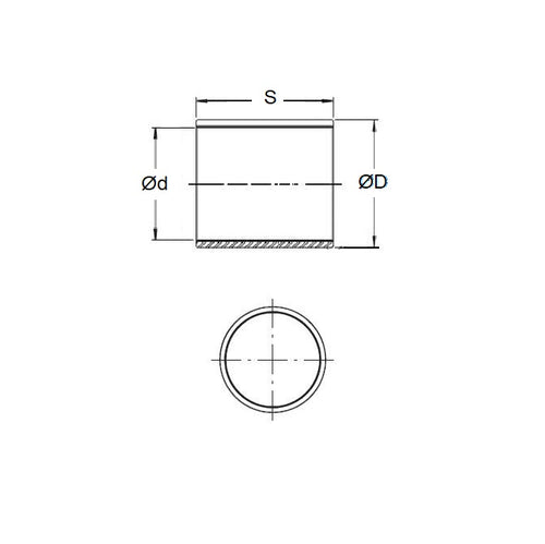
Bushes - Unflanged - Bronze - SinteredSintered Bronze Unflanged Bushes. Oil impregnated sintered bronze bushes.
- An expanded range may be available on special order. Please enquire.
- Precision items show an allowable Load Speed Rating in Newtons times RPM.
Product Data
- Nominal Inside Diameter (d)
:
4.763
mm
+ 0.000 / + 0.010
(Equiv. 0.188 in.) - Nominal Outside Diameter (D)
9.525
mm
+ 0.003 / - 0.010
(Equiv. 0.375 in.) - Length (s)
3.175
mm
+ 0 / - 0.127
(Equiv. 0.125 in.) - Material Bronze SAE 841 Sintered
Product Compliance and Data
Additional Resources
- DU Bush Material Information
- General Bushes Catalogue
- Sintered Bronze Products Catalogue
- Solid Bronze Bushes catalogue
Cross References
- S99BP3PB122408
- S99BP3-PB122408
- BP004800950032BS


