
Miniature Bearings Australia
SFR166-ZS-MC34-GR7-R-G48 - Datasheet
Myonic
Category Information
Bearings - Single Row Ball - Flanged - High Precision - StandardStandard High Precision Flanged Single Row Ball Bearings. Stainless Steel Bearings with Flanges - Abec 5 and Abec 7.
- Single row radial ball bearings are arguably the most common, widely used type of bearing. They consist of an inner ring, an outer ring, a set of balls, and a cage that retains the balls in a circular path.
- Single row radial ball bearings are commonly used in a wide range of applications, including electric motors, fans, pumps, gearboxes, agricultural equipment, appliances, and automotive components.
- They are versatile, cost-effective bearings that provide reliable support for radial loads and some axial loads in one direction. An expanded range may be available on special order. Please enquire.
- Single row radial ball bearings with flanges.
- High precision bearings are not recommended for skates or fishing reels.
- High precision bearings are used in accurately balanced application such as spindles, gyros and medical equipment.
- If your application is not of a precision nature, standard bearings may be more suitable (and less expensive).
Product Data
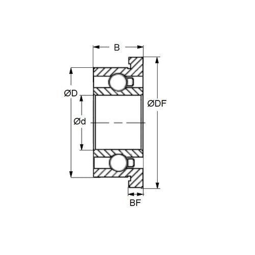
- ID (d) 
:
4.763
mm
+ 0.000 / - 0.004
 (Equiv. 0.188 in.)
- OD (D) 
9.525
mm
+ 0.000 / - 0.005
 (Equiv. 0.375 in.)
- Width (B) 
3.175
mm
+ 0.000 / - 0.040
 (Equiv. 0.125 in.)
- Flange Diameter (DF) 10.719 mm
- Flange Width (BF) 0.787 mm
- Precision Grade Abec 7
- Closure Type Z
- Bearing Type Radial Flanged
- Lubricant Turmogrease Li 802 EP plus
- Notes Single Shield on Flanged Side
- Material Stainless Steel AISI 440C
- Lubrication Type Grease
- Lubrication Name G48 Turmogrease Li 802 EP plus
- Basic Part FR166
- Limiting Speed 65000
- Cage Type Ribbon
- Static Load Rating KGf 28
- Dynamic Load Rating KGf 72
- Radii 0.10 mm
- Inner Shoulder (UI) 5.95mm
- Outer Shoulder (UO) 8.80 mm
- Number of Balls 8
- Clearance MC34 (5 to 13)
- Precision Grade Abec 7
- Closure Type ZS
- Max Temperature 120 Deg. C
Product Compliance and Data
Additional Resources
- Catalogue: Ceramic Bearings Catalogue
- Catalogue: Plastic Bearings Catalogue
- Catalogue: Standard Bearings Catalogue
- General: Bearing Cleanliness
- General: Bearing Clearances
- General: Bearing Flanges & Snap Rings
- General: Bearing Retainers (Cages)
- General: General Loads Information
- General: Lubrication
- General: Prefix & Suffix Guide
- General: Static vs Dynamic Loads
- Materials: 316 Stainless
- Materials: CASSTOP Anti-Corrosion Bearing Material
- Materials: Ceramic vs Ceramic Hybrid
- Materials: Ceramic Bearings in Vibratory Applications
- Materials: Ceramic Hybrid Bearings in Vibratory Applications
- Materials: General Bearing Materials
- Materials: Magnetism & Bearings
- Precision: 316 Stainless & Plastic Bearing Tolerances
- Precision: ABEC Basic Information
- Precision: Precision Bearing Tolerances
- Problem Solving: Bearing Failure
- Problem Solving: Fatigue (L10 Life)
- Problem Solving: Noise
Cross References
- S9912YG1837FS1G
- S9912Y-G1837FS1G
- ULKZ6012X1c48A7P6/15G48
- ULKZ6012X.1c-48-A7P-6/15-G48
- ULKZ6012X.1-5/13-A7P-G5
- ULKZ6012X15/13A7PG5
- SFR166ZSRGR7MC34G48
- SFR166ZSMC34GR7G5
- SSFR166ZSMC34GR7G5
- SSFR166ZSRGR7MC34G48
- SS9912Y-G1837FS1G
- SS9912YG1837FS1G
- FR166 Basic Size Ref
 
 
 


