
Miniature Bearings Australia
BF0048-0079-0095-BS1116TL - Datasheet
MBA
Category Information
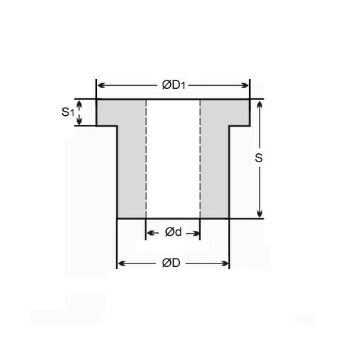
Bushes - Flanged - Bronze - SinteredSintered Bronze Flanged Bushes. Oil impregnated flanged sintered bronze bushes.
- An expanded range may be available on special order. Please enquire.
- Precision items show an allowable Load Speed Rating in Newtons times RPM.
Product Data
- Nominal Inside Diameter (d) 
:
4.763
mm
+ 0.025 / + 0.051
 (Equiv. 0.188 in.)
- Nominal Outside Diameter (D) 
7.938
mm
+ 0.012 / + 0.038
 (Equiv. 0.313 in.)
- Length (s) 
9.525
mm
+/- 0.127
 (Equiv. 0.375 in.)
- Flange OD (D1) 11.11 mm
- Flange Thickness (S1) 1.59 mm
- Material Bronze SAE 841 Sintered
Product Compliance and Data
Additional Resources
- DU Bush Material Information
- General Bushes Catalogue
- Sintered Bronze Products Catalogue
- Solid Bronze Bushes catalogue
Cross References
- Oilite FF303
- Oilite FF-303
- Oilube FF-303
- Symmco SF-610-6
- BF004800790095BS
- SF6106
- A7B4-BF0612
- A7B4BF0612
 
 
 


