
Miniature Bearings Australia
BF0048-0079-0064-BS0912TT - Datasheet
MBA
Category Information
Bushes - Flanged - Bronze - SinteredSintered Bronze Flanged Bushes. Oil impregnated flanged sintered bronze bushes.
- An expanded range may be available on special order. Please enquire.
- Precision items show an allowable Load Speed Rating in Newtons times RPM.
Product Data
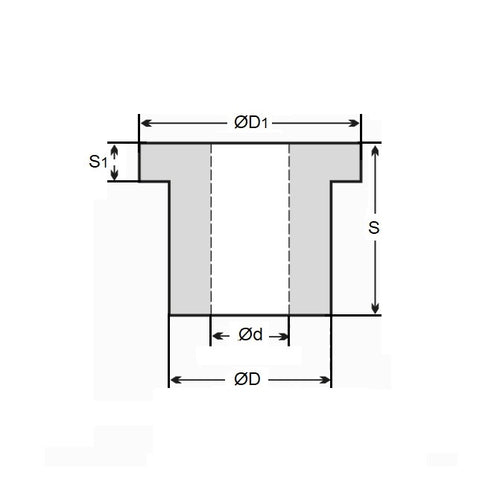
- Nominal Inside Diameter (d)
:
4.763
mm
+ 0.025 / + 0.051
(Equiv. 0.188 in.) - Nominal Outside Diameter (D)
7.938
mm
+ 0.025 / + 0.051
(Equiv. 0.313 in.) - Length (s)
6.350
mm
+/- 0.127
(Equiv. 0.25 in.) - Flange OD (D1) 9.40 mm
- Flange Thickness (S1) 1.19 mm
- Material Bronze SAE 841 Sintered
Product Compliance and Data
Additional Resources
- DU Bush Material Information
- General Bushes Catalogue
- Sintered Bronze Products Catalogue
- Solid Bronze Bushes catalogue
Cross References
- BF004800790064BS0912
- BF004800790064BSF0912
- A7B4-GF0608
- A7B4GF0608


