
Miniature Bearings Australia
BP0048-0079-0063-BSLH - Datasheet
MBA
Category Information
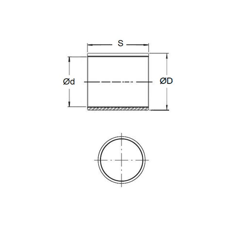
Bushes - Unflanged - Bronze - SinteredSintered Bronze Unflanged Bushes. Oil impregnated sintered bronze bushes.
- An expanded range may be available on special order. Please enquire.
- Precision items show an allowable Load Speed Rating in Newtons times RPM.
Product Data
- Nominal Inside Diameter (d)
:
4.763
mm
+ 0.013 / + 0.038
(Equiv. 0.188 in.) - Nominal Outside Diameter (D)
7.938
mm
+ 0.051 / + 0.076
(Equiv. 0.313 in.) - Length (s)
6.325
mm
+ 0 / - 0.102
(Equiv. 0.249 in.) - Material Bronze SAE 841 Sintered
Product Compliance and Data
Additional Resources
- DU Bush Material Information
- General Bushes Catalogue
- Sintered Bronze Products Catalogue
- Solid Bronze Bushes catalogue
Cross References
- BP004800790063BS
- A7B4P120
- A7B4-P120



