
Miniature Bearings Australia
BP0048-0079-0127-BSTH - Datasheet
MBA
Category Information
Bushes - Unflanged - Bronze - SinteredSintered Bronze Unflanged Bushes. Oil impregnated sintered bronze bushes.
- An expanded range may be available on special order. Please enquire.
- Precision items show an allowable Load Speed Rating in Newtons times RPM.
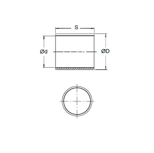
Product Data
- Nominal Inside Diameter (d)
:
4.763
mm
+ 0.025 / + 0.051
(Equiv. 0.188 in.) - Nominal Outside Diameter (D)
7.938
mm
+ 0.051 / + 0.076
(Equiv. 0.313 in.) - Length (s)
12.700
mm
+/- 0.127
(Equiv. 0.5 in.) - Material Bronze SAE 841 Sintered
Product Compliance and Data
Additional Resources
- DU Bush Material Information
- General Bushes Catalogue
- Sintered Bronze Products Catalogue
- Solid Bronze Bushes catalogue
Cross References
- Reid Tool® BNT-108
- Bunting® EP030508
- Daemar P-19-4
- A7B4-P006
- A7B4P006
- BNT108
- BP004800790127BS06
- P194


