
Miniature Bearings Australia
BF0048-0071-0055-BS9615LH - Datasheet
MBA
Category Information
Bushes - Flanged - Bronze - SinteredSintered Bronze Flanged Bushes. Oil impregnated flanged sintered bronze bushes.
- An expanded range may be available on special order. Please enquire.
- Precision items show an allowable Load Speed Rating in Newtons times RPM.
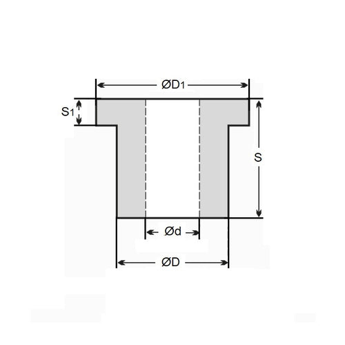
Product Data
- Nominal Inside Diameter (d)
:
4.763
mm
+ 0.000 / + 0.025
(Equiv. 0.188 in.) - Nominal Outside Diameter (D)
7.144
mm
+ 0.045 / + 0.070
(Equiv. 0.281 in.) - Length (s)
5.537
mm
+ 0 / - 0.152
(Equiv. 0.218 in.) - Flange OD (D1) 9.61 mm
- Flange Thickness (S1) 1.45 mm
- Material Bronze SAE 841 Sintered
Product Compliance and Data
Additional Resources
- DU Bush Material Information
- General Bushes Catalogue
- Sintered Bronze Products Catalogue
- Solid Bronze Bushes catalogue
Cross References
- BF004800710055BSLT
- BF004800710055BSLH
- A7B4F043
- A7B4-F043


