
Miniature Bearings Australia
BF0048-0127-0050-BS1411LU - Datasheet
MBA
Category Information
Bushes - Flanged - Bronze - SinteredSintered Bronze Flanged Bushes. Oil impregnated flanged sintered bronze bushes.
- An expanded range may be available on special order. Please enquire.
- Precision items show an allowable Load Speed Rating in Newtons times RPM.
Product Data
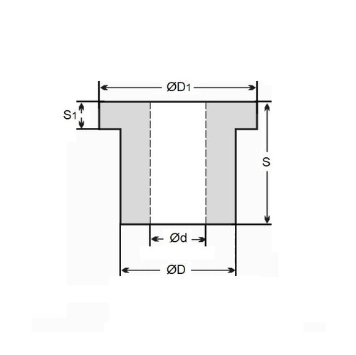
- Nominal Inside Diameter (d) 
:
4.763
mm
+ 0.000 / + 0.010
 (Equiv. 0.188 in.)
- Nominal Outside Diameter (D) 
12.700
mm
+ 0.003 / - 0.010
 (Equiv. 0.5 in.)
- Length (s) 
4.978
mm
+ 0 / - 0.127
 (Equiv. 0.196 in.)
- Flange OD (D1) 14.35 mm
- Flange Thickness (S1) 1.07 mm
- Material Bronze SAE 841 Sintered
Product Compliance and Data
Additional Resources
- DU Bush Material Information
- General Bushes Catalogue
- Sintered Bronze Products Catalogue
- Solid Bronze Bushes catalogue
Cross References
- S99BP4FB123212
- S99BP4-FB123212
- BF004801270050BS
- BF004801270050BSLU
 
 
 


