
Miniature Bearings Australia
REF-048-L-CB - Datasheet
MBA
Category Information
Rod Ends - Female - Steel - Plain - Bronze LinedBronze Lined Plain Steel Female Rod Ends. Imperial and Metric / Carbon Steel. Also known as Heim Joints
- An expanded range may be available on special order. Please enquire.
- Dimensions not shown are available on request.
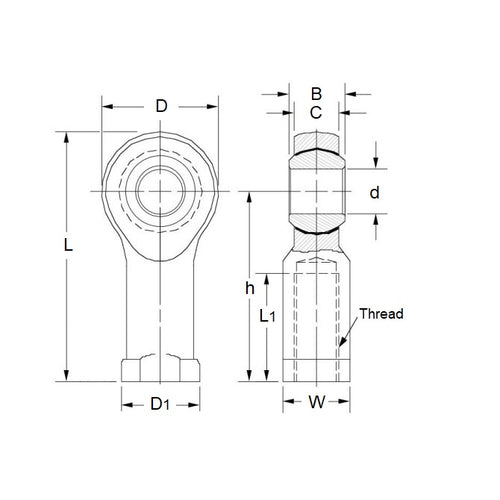
Product Data
- Eye Size (d1)
:
4.763
mm
(Equiv. 0.188 in.) - Overall Length (L)
34.93
mm
(Equiv. 1.375 in.) - Thread Size (T) 10-32 UNF Left
- Thread Length (l2) 14.27 mm
- Head Width (W) 6.35 mm
- Eye Width (W1) 7.92 mm
- Head Diameter (D) 15.88 mm
- Centre Height (l1) 26.97 mm
- Grease Nipple Yes
- Body Width/Flange Width(W2/D3) 7.92 / 10.31 mm
- Material Bronze Lined Steel
Product Compliance and Data
Additional Resources
Cross References
- 6072K144-LEFT
- ASAHI JAFB3L
- KWK KFB3L
- IKO PHSB3L
- Nachi PHSB-3L
- NTN SFI-B3L
- SFIB3L
- 6072K144LEFT



