
Miniature Bearings Australia
BFM-187-B - Datasheet
MBA
Category Information
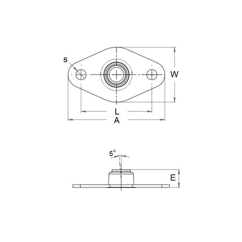
Housing and Bearing Assembly - Flanged 2 Bolt - Aligning - Sintered BronzeSintered Bronze Aligning Flanged 2 Bolt Housing and Bearing Assembly. Low profile self aligning flange mounted sintered bronze bearings
- Bearing housing assemblies combine matching parts already assembled. Bearings in this range refer to either ball bearings or plain bearings. Refer to the listings for each type.
- Flanged mounting allows for a shaft to run through a bulkhead to which the housing is mounted, or to have a shaft mounted perpendicular to a metal frame.
- +/- 5% Static Alignment
Product Data
Deleted Item. Available while stocks last.
Please contact us first if you wish to use this item in a new design so we can check whether production can be resumed.
- Nominal Shaft Size 
:
4.762
mm
 (Equiv. 0.187 in.)
- Width (W) 
45.72
mm
 (Equiv. 1.8 in.)
- Overall Length (A) 
13.46
mm
 (Equiv. 0.53 in.)
- Overall Height (E) 22.35 mm
- Min to Max Shaft Dia. 4.783 to 4.796 mm
- Max. Radial Dynamic Load 845 N
- Bolt Hole Centres (L) 30.99 mm
- Max Speed 20310
- Material Sintered Bronze SAE 840
Product Compliance and Data
Additional Resources
Cross References
- 5912K75
 
 
 


